F-21 - FUEL TANK
HONDA CB Unicorn 160 CBF160H · 40 parts
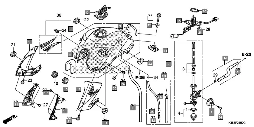
Parts in This Assembly (40)
| Ref # | Part Number | Description | Qty | |
|---|---|---|---|---|
| 2 | 16950-K38-901 | COCK ASSY., FUEL (UCAL) | 1 | |
| 2 | 16950-K38-902 | COCK ASSY., FUEL (A) | 1 | |
| 5 | 16955-K38-900 | LEVER, FUEL COCK | 1 | |
| 7 | 17519-K38-900 | FILM, TANK PROTECTOR | 1 | |
| 8 | 17529-K38-900 | SILENCER SEAT, FUEL TANK | 1 | |
| 9 | 17530-K38-900ZE | TANK SUB ASSY., FUEL *TYPE4* | 1 | |
| 9 | 17530-K38-900ZF | TANK SUB ASSY., FUEL *TYPE3* | 1 | |
| 9 | 17530-K38-900ZG | TANK SUB ASSY., FUEL *TYPE2* | 1 | |
| 9 | 17530-K38-900ZH | TANK SUB ASSY., FUEL *TYPE1* | 1 | |
| 10 | 17611-KRY-970 | CUSHION , FRONT FUEL TANK | 2 | |
| 11 | 17613-KWS-900 | RUBBER, FUEL TANK RR. | 1 | |
| 12 | 17614-K38-900 | COLLAR, FUEL TANK | 1 | |
| 13 | 17620-KWF-901 | CAP COMP., FUEL FILLER | 1 | |
| 14 | 17681-K38-900 | TUBE, FUEL | 1 | |
| 15 | 37800-K38-901 | FUEL UNIT | 1 | |
| 16 | 50265-K38-900ZA | SHROUD SET, R.(WL) *R355M* IMPERIAL RED METALLIC | 1 | |
| 16 | 50265-K38-900ZB | SHROUD SET, R.(WL) *NHB05P* PEARL IGNEOUS BLACK | 1 | |
| 16 | 50265-K38-900ZD | SHROUD SET, R.(WL) *NHA04M* GENY GRAY METALLIC | 1 | |
| 16 | 50265-K38-900ZE | SHROUD SET, R.(WL) *NHB63P* PEARL AMAZING WHITE | 1 | |
| 17 | 50275-K38-900ZA | SHROUD SET, L.(WL) *R355M* IMPERIAL RED METALLIC | 1 | |
| 17 | 50275-K38-900ZB | SHROUD SET, L.(WL) *NHB05P* PEARL IGNEOUS BLACK | 1 | |
| 17 | 50275-K38-900ZD | SHROUD SET, L.(WL) *NHA04M* GENY GRAY METALLIC | 1 | |
| 17 | 50275-K38-900ZE | SHROUD SET, L.(WL) *NHB63P* PEARL AMAZING WHITE | 1 | |
| 18 | 50280-K38-900 | SHROUD, R. INNER | 1 | |
| 19 | 50285-K38-900 | SHROUD, L. INNER | 1 | |
| 20 | 77267-KTR-900 | RUBBER, COWL | 4 | |
| 22 | 83551-300-000 | GROMMET, AIR CLEANER CASE | 2 | |
| 23 | 90104-KT2-000 | SCREW, SPECIAL, 6X14 | 2 | |
| 24 | 90116-SP0-003 | CLIP, BUMPER SEAL | 2 | |
| 25 | 91351-K21-900 | O-RING, 39.5X5 | 1 | |
| 26 | 93500-04025-0G | SCREW, PAN, 4X25 | 1 | |
| 27 | 93903-24380 | SCREW TAPPING, 4 X 12 | 6 | |
| 29 | 95002-02100 | CLIP, B-10 TUBE | 2 | |
| 30 | 95005-80780-20 | TUBE, 8X780 | 1 | |
| 31 | 95701-08030-00 | BOLT,FLANGE, 8 X 30 | 1 | |
| 31 | 95702-08030-00 | BOLT, FLANGE, 8X30 | 1 | |
| 32 | 17525-KVE-900 | JOINT TUBE | 1 | |
| 33 | 17535-K38-900 | TUBE ASSY., BREATHER | 1 | |
| 34 | 95002-02080 | CLIP, TUBE | 2 | |
| 35 | 95002-02130 | CLIP B 12.5 TUBE | 1 | |