HONDA
SCV110J
796 parts in catalogue

E-5
CAM CHAIN/TENSIONER
10 parts

E-4
CAMSHAFT/VALVE
15 parts

E-21
CARBURETOR
25 parts

E-20
CRANKSHAFT/PISTON
24 parts

E-6
CYLINDER
3 parts

E-3
CYLINDER HEAD
26 parts

E-2
CYLINDER HEAD COVER
9 parts

E-16
DRIVE FACE
20 parts

E-17-1
DRIVEN FACE(EXEDY)
28 parts

E-17
DRIVEN FACE(F.C.C.)
16 parts

E-8
GENERATOR(DENSO)
10 parts

E-8-1
GENERATOR(MITSUBA)
1 part

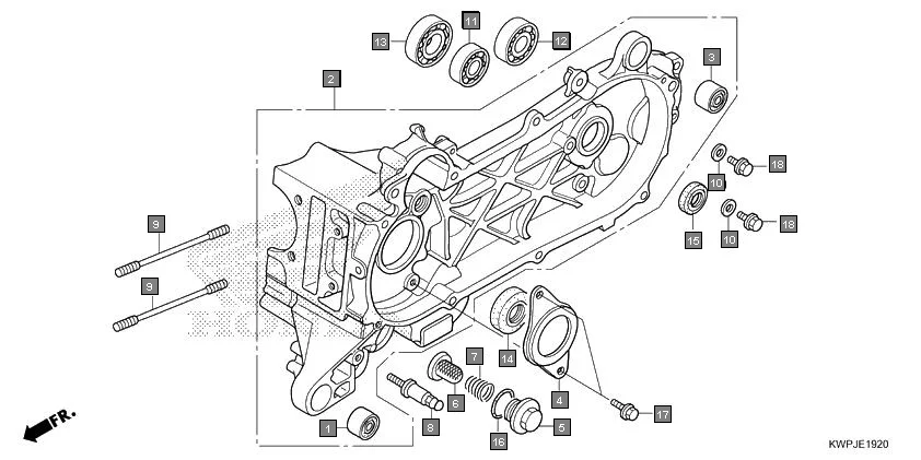
E-19-20
LEFT CRANKCASE
20 parts

E-13
LEFT SIDE COVER
8 parts

E-11
OIL PUMP
7 parts

E-19-10
RIGHT CRANKCASE
14 parts

E-1
SHROUD/FAN COVER
11 parts

E-12
STARTING MOTOR(LUCAS)
8 parts

E-12-1
STARTING MOTOR(MITSUBA)
13 parts

E-17-10
TRANSMISSION(MUSASHI)
22 parts

E-17-11
TRANSMISSION(VARROC)
4 parts