OEM Part
OEM Part
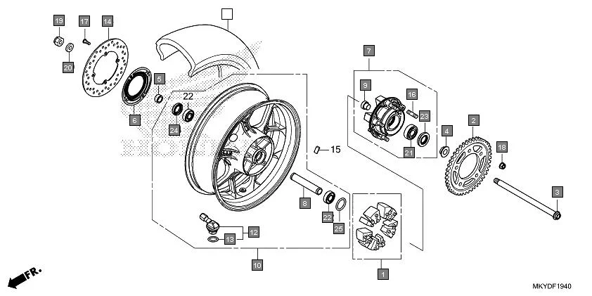
91252-MAS-003
DUST SEAL, 30X56X7.5
Qty Required: 1
Ref #23 in Assembly
Part of Assembly
F-19-40
REAR WHEEL
20 parts in this assembly
Assembly Diagram
Ref #23
OEM Part
DUST SEAL, 30X56X7.5