HONDA
XBLADE CBF160FSM
963 parts in catalogue

E-16-10
BALANCER SHAFT
18 parts

E-4
CAM CHAIN/TENSIONER
12 parts

E-3
CAMSHAFT/VALVE
14 parts

E-8
CLUTCH
16 parts

E-15
CRANKCASE
21 parts

E-16
CRANKSHAFT/PISTON
10 parts

E-5
CYLINDER
3 parts

E-1
CYLINDER HEAD COVER
8 parts

E-2-1
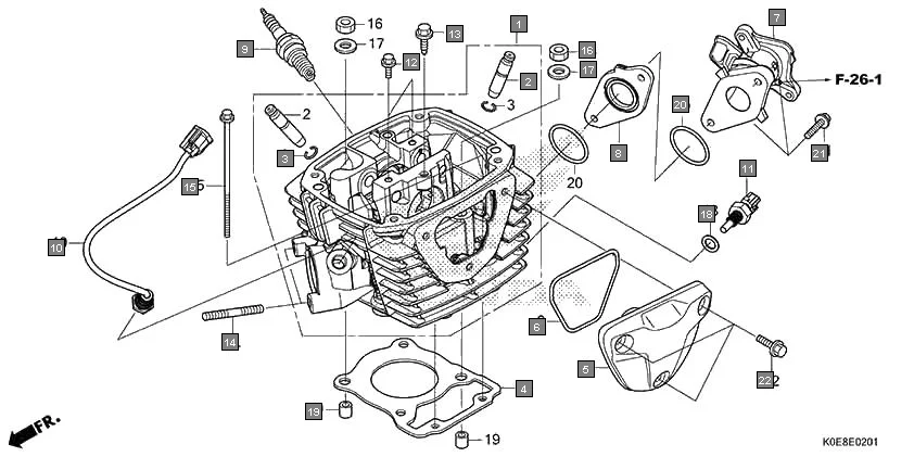
CYLINDER HEAD(CBF160FSM)
22 parts

E-19
GEARSHIFT DRUM
19 parts

E-11
GENERATOR
7 parts

E-20
KICK STARTER SPINDLE
12 parts

E-10
LEFT CRANKCASE COVER
11 parts

E-14
OIL PUMP
19 parts

E-6
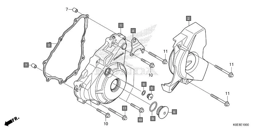
RIGHT CRANKCASE COVER
12 parts

E-13
STARTER MOTOR
17 parts

E-9
STARTING CLUTCH
7 parts

E-23
THROTTLE BODY
19 parts

E-17
TRANSMISSION
31 parts