HONDA
Livo CBF110SH
880 parts in catalogue

E-4
CAM CHAIN/TENSIONER
22 parts

E-3
CAMSHAFT/VALVE
15 parts

E-22
CARBURETOR
22 parts

E-22-1
CARBURETOR(2)
22 parts

E-8
CLUTCH
14 parts

E-15
CRANKCASE
18 parts

E-16
CRANKSHAFT/PISTON
19 parts

E-5
CYLINDER
3 parts

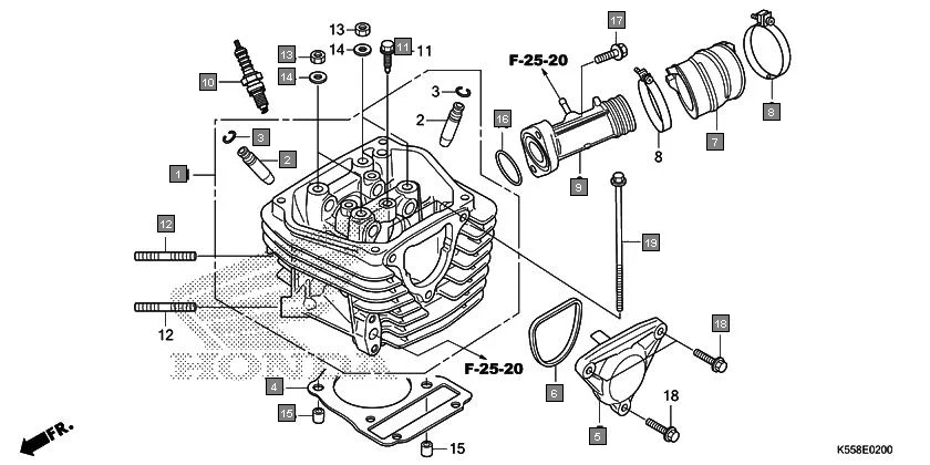
E-2
CYLINDER HEAD
19 parts

E-1
CYLINDER HEAD COVER
4 parts

E-19
GEARSHIFT DRUM
17 parts

E-11-2
GENERATOR(INEL)
5 parts

E-11-1
GENERATOR(MITSUBA)(2)
5 parts

E-20
KICK STARTER SPINDLE
11 parts

E-10
LEFT CRANKCASE COVER
9 parts

E-14
OIL PUMP
18 parts

E-6
RIGHT CRANKCASE COVER
13 parts

E-13
STARTER MOTOR
13 parts

E-9
STARTING CLUTCH
7 parts

E-17
TRANSMISSION
29 parts