HONDA
CB200X CB190XR
910 parts in catalogue

E-16-10
BALANCER SHAFT
18 parts

E-4
CAM CHAIN/TENSIONER
12 parts

E-3
CAMSHAFT/VALVE
14 parts

E-8-1
CLUTCH(CB190XR)
16 parts

E-15
CRANKCASE
24 parts

E-16
CRANKSHAFT/PISTON
11 parts

E-5
CYLINDER
3 parts

E-2
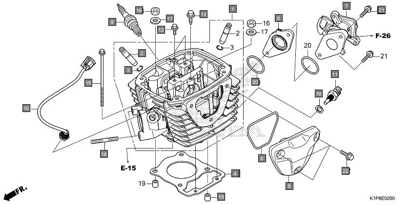
CYLINDER HEAD
22 parts

E-1
CYLINDER HEAD COVER
6 parts

E-19
GEARSHIFT DRUM
19 parts

E-11
GENERATOR
7 parts

E-10
LEFT CRANKCASE COVER
10 parts

E-14
OIL PUMP
19 parts

E-6
RIGHT CRANKCASE COVER
11 parts

E-13
STARTER MOTOR
17 parts

E-9
STARTING CLUTCH
8 parts

E-23
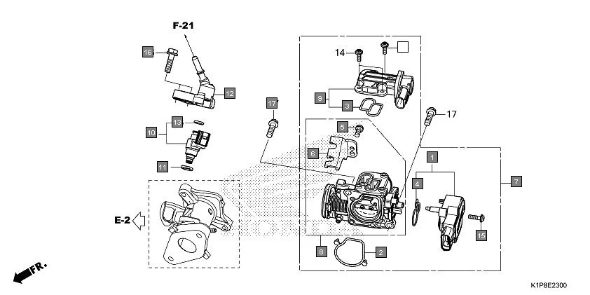
THROTTLE BODY
17 parts

E-17
TRANSMISSION
31 parts