HONDA
Dream Yuga CB110D
831 parts in catalogue

E-4
CAM CHAIN/TENSIONER
24 parts

E-3
CAMSHAFT/VALVE
15 parts

E-22
CARBURETOR(CB110D/MD)
24 parts

E-8
CLUTCH(CB110D/MD)
15 parts

E-15
CRANKCASE
17 parts

E-16
CRANKSHAFT/PISTON
20 parts

E-5
CYLINDER
3 parts

E-2
CYLINDER HEAD
20 parts

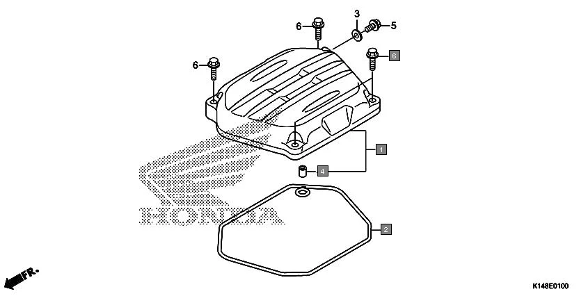
E-1
CYLINDER HEAD COVER
4 parts

E-19
GEARSHIFT DRUM
17 parts

E-11
GENERATOR(CB110D/MD)
6 parts

E-20
KICK STARTER SPINDLE
11 parts

E-10
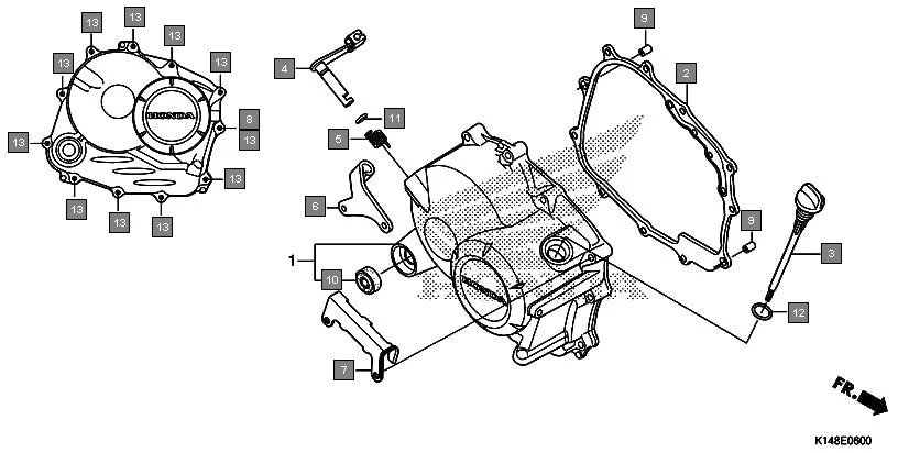
LEFT CRANKCASE COVER
9 parts

E-14
OIL PUMP
19 parts

E-6
RIGHT CRANKCASE COVER
13 parts

E-17
TRANSMISSION
28 parts