HONDA
Dream Yuga CB110BK
887 parts in catalogue

E-4
CAM CHAIN/TENSIONER
24 parts

E-3
CAMSHAFT/VALVE
15 parts

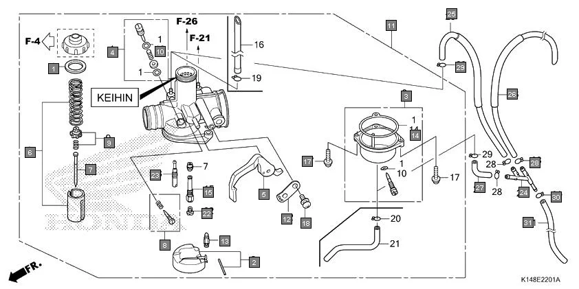
E-22-1
CARBURETOR(CB110E,J/ME/AMF/AMH/BK)(KEIHIN)
27 parts

E-8-2
CLUTCH(CB110E,J/ME/AMF/AMH/BK)(EXEDY)
14 parts

E-15
CRANKCASE
17 parts

E-16
CRANKSHAFT/PISTON
20 parts

E-5
CYLINDER
3 parts

E-2
CYLINDER HEAD
20 parts

E-1
CYLINDER HEAD COVER
4 parts

E-19
GEARSHIFT DRUM
17 parts

E-11
GENERATOR(1)
6 parts

E-20
KICK STARTER SPINDLE
11 parts

E-10
LEFT CRANKCASE COVER
9 parts

E-14
OIL PUMP
19 parts

E-6
RIGHT CRANKCASE COVER
13 parts

E-13-2
STARTER MOTOR(3)(LUCAS)
7 parts

E-13-3
STARTER MOTOR(4)(MITSUBA)
13 parts

E-9
STARTING CLUTCH
6 parts

E-17
TRANSMISSION
28 parts