F-8A - REAR BRAKE (CALIPER ASSY. REAR)

Hero Xpulse 200 4V(July 2022) · 17 parts

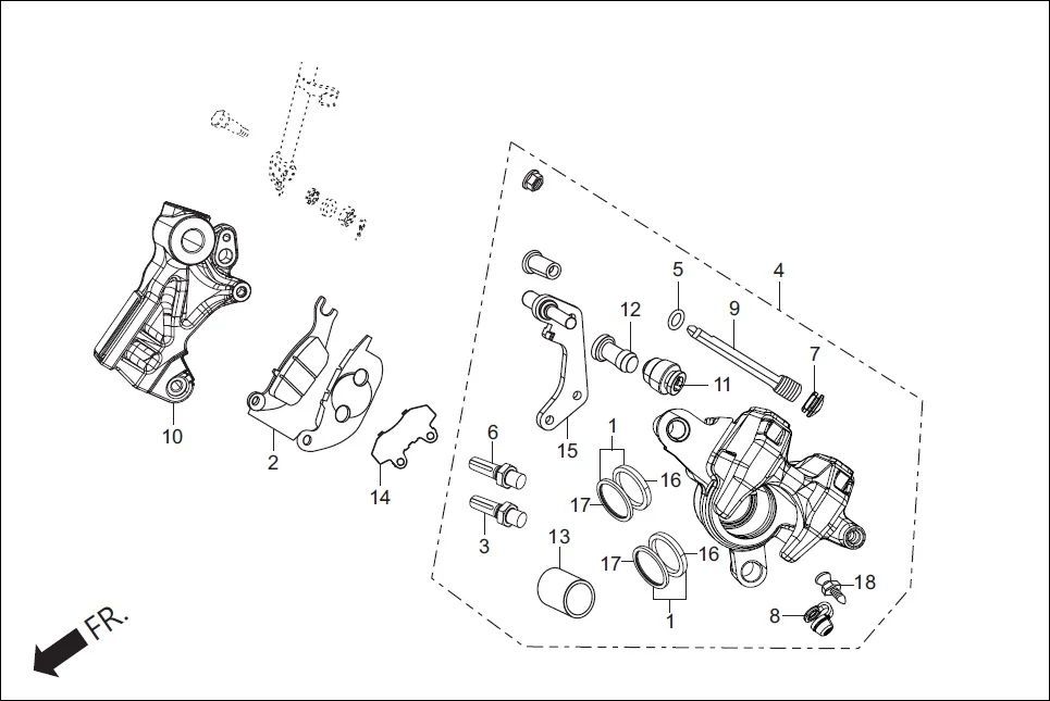
F-8A REAR BRAKE (CALIPER ASSY. REAR) assembly diagram for Hero Xpulse 200 4V(July 2022)

Parts in This Assembly (17)

Ref # Part Number Description Qty
1 06451-MA7-405 SEAL SET, PISTON 1
2 06435-AAB-A00 PAD SET RR 1
3 45131-AAB-A00 PIN BOLT A 1
4 43150-ABW-100 CALIPER SUB ASSY. RR 1
5 45111-MAJ-G41 STOPPER RING 1
7 45203-MCC-006 PLUG,PIN 1
8 43353-461-771L CAP BLEEDER 1
9 43215-KGH-901 PIN,HANGER 1
10 43115-ABW-100 HOLDER RR CALIPER 2
11 45133-MA3-006L BOOT B 1
12 45132-166-016L BUSH BOOT PIN 1
13 43107-MA7-006 PISTON 1
14 43114-KRY-971 SHIM B 1
15 43190-ABW-100 BRKT SUB ASSY RR 1
16 45209-GE2-006L SEAL PISTON 2
17 45109-GE2-006L DUST SEAL 2
18 43352-568-003L SCREW BLEEDER 1
Pinch or scroll to zoom · Drag to pan · Double-tap to toggle