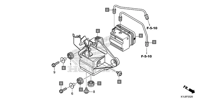
F-5-20 - ABS MODULATOR/BRAKE PIPE
HONDA Hornet 2.0 CBF190MAM · 8 parts
Parts in This Assembly (8)
| Ref # | Part Number | Description | Qty | |
|---|---|---|---|---|
| 1 | 33705-KW7-900 | RUBBER A TAIL LIGHT MOUNT | 2 | |
| 2 | 45126-K1L-D00 | PIPE COMP. B, FR. BRAKE | 1 | |
| 3 | 45127-K1L-D00 | PIPE COMP. C, FR. BRAKE | 1 | |
| 4 | 50345-K1K-D00 | BOX, ABS MODULATOR | 1 | |
| 5 | 57110-K1L-D01 | MODULATOR ASSY. | 1 | |
| 6 | 61102-KTY-D30 | COLLAR, RADIATOR MOUNTING | 2 | |
| 7 | 77208-KW7-900 | RUBBER B, SEAT MOUNTING | 1 | |
| 8 | 90111-K98-E00 | BOLT, FLANGE, 6MM | 2 | |